We have a high quality automated production line that can develop and produce exquisite 20W COB LED Of High Brightness LED Highbay Light, chip led 10w 220v, 100w rgb led for promoting the common development of domestic and foreign industries. Creating benefits for shareholders and investors is the basic requirement of our company's operation. Through our unremitting efforts, our company's competitiveness has been significantly enhanced and our market influence has been growing.
LED smd 3030 3v 150mA
GM LED SMD 3030 3V LED extend GM industry-leading portfolio of lighting-class LEDs to a broader set of applications. The GS3030 LEDs combine high efficacy and excellent value in reliable package. The LED SMD 3030 Series are optimized for applications where high efficacy and smooth appearance are critical, such as troffers, panel and outdoor area lights. Offering color options aligned to GMKJ Easy White bins, the GM LED SMD3030 LEDs are available in 2000K - 7000K with high CRI and multiple voltage selections in an industry-compatible size of 3.0 mm x 3.0 mm.

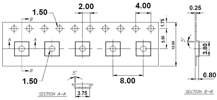
Package Dimension

Product Specification
Parameter | Symbol | Typical values | Peak values | Unit |
DC Forward Current | IF | 300 | 350 | m A |
Peak pulse Current | IFP | 500 | 500 | m A |
Power Dissipation | PD | 1 | 1 | W |
Reverse Voltage | VR | 5 | V | |
Reverse Current | IR | 10 | μ A | |
Operating Temperature Range | TOPR | -30 ~ +75 | °C | |
Storage Temperature Range | TSTG | -40 ~ +85 | °C | |
LED Junction Temperature | TJ | 120 | °C | |
Absolute Maximum Ratings(At TA =25℃)
Electrical/Optical Characteristics--White (At TA=25°C)
Parameter | Symbol | Typical values | Peak values | Unit |
DC Forward Current | IF | 300 | 350 | m A |
Peak pulse Current | IFP | 500 | 500 | m A |
Power Dissipation | PD | 1 | 1 | W |
Reverse Voltage | VR | 5 | V | |
Reverse Current | IR | 10 | μ A | |
Operating Temperature Range | TOPR | -30 ~ +75 | °C | |
Storage Temperature Range | TSTG | -40 ~ +85 | °C | |
LED Junction Temperature | TJ | 120 | °C | |
| CRI LUMEN | ||||
CCT | 70 | 80 | 90 | |
2600-2800 | 110-130 | 100-120 | 90-110 | |
130-150 | 120-140 | 110-130 | ||
2800-3200 | 120-140 | 110-130 | 100-120 | |
140-160 | 130-150 | 120-140 | ||
3400-3600 | 120-140 | 110-130 | 100-120 | |
140-160 | 130-150 | 120-140 | ||
3800-4200 | 130-150 | 120-140 | 110-130 | |
150-170 | 140-160 | 130-150 | ||
4500-5000 | 130-150 | 120-140 | 110-130 | |
150-170 | 140-160 | 130-150 | ||
5000-5500 | 130-150 | 120-140 | 110-130 | |
150-170 | 140-160 | 130-150 | ||
5500-7000 | 130-150 | 120-140 | 110-130 | |
150-170 | 140-160 | 130-150 | ||
Other Specification Available
Purple | blue | green | yellow green | yellow | orange | red | |||||||
code | wavelength | code | wavelength | code | wavelength | code | wavelength | code | wavelength | code | wavelength | code | wavelength |
P1 | 360-370 | B1 | 440-450 | G1 | 480-490 | E1 | 540-550 | Y1 | 580-585 | C1 | 600-605 | R1 | 615-620 |
P2 | 370-380 | B2 | 450-460 | G2 | 490-500 | E2 | 550-555 | Y2 | 585-587.5 | C2 | 605-610 | R2 | 620-625 |
P3 | 380-390 | B3 | 460-465 | G3 | 500-510 | E3 | 555-560 | Y3 | 587.5-590 | C3 | 610-615 | R3 | 625-630 |
P4 | 390-400 | B4 | 465-470 | G4 | 510-515 | E4 | 560-565 | Y4 | 590-592.5 | C4 | R4 | 630-640 | |
P5 | 400-410 | B5 | 470-480 | G5 | 515-520 | E5 | 570-575 | Y5 | 592.5-595 | C5 | R5 | 640-650 | |
P6 | 410-420 | B6 | G6 | 520-525 | E6 | 575-580 | Y6 | 595-597.5 | C6 | R6 | 650-660 | ||
P7 | 420-430 | B7 | G7 | 525-530 | E7 | Y7 | 597.5-600 | C7 | R7 | 730 | |||
P8 | 430-440 | B8 | G8 | 530-540 | E8 | Y8 | C8 | R8 | 850 | ||||
P9 | B9 | G9 | E9 | R9 | 940 | ||||||||
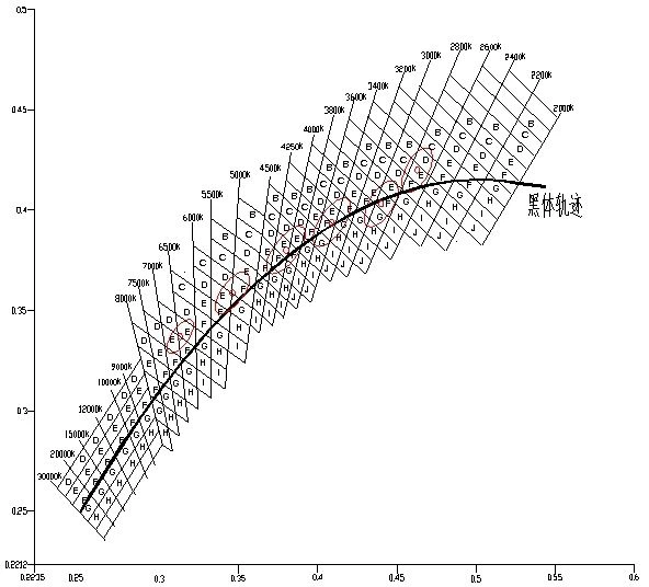
white white | W3 | CCT<5000K,2000-4500K、200Keach bin,4500-5000Keach bin. | |||||||||||
W6 | CCT>5000K,5000-8000、500K each bin,8000-10000K、1000K each bin; 10000-20000K、5000K each bin,20000-30000k each bin. | ||||||||||||
Color & Bin System

Packing Method
Normal Packing Quantity: 4000pcs/reel in vacuum bag.



Shipping Method
Delivery time:
●Order Qty<500.000pcs, 3-7 workdays.
●Order Qty>500.000pcs, 7-12 workdays.
●Order Qty>3000.000pcs,12-20 workdays.

FAQ
Q.What’s your market position ? do you have super cheap stock product for sell?
A: For over decades, GMKJ focus on middle and high-end market.we understand that the quality is life of our industry.we cherish our high reputation in China and Global LED Industry. For super cheap new items or new items is not available in our company.
Q:What about your production capability of the SMD LEDs .Are you able to offer neutral packing for our products?
Our weekly production capacity of SMD LED is 16.000.000pcs ,this contains all smd leds such as SMD LED 3030,SMD2835, SMD5050 and SMD3535. Basically we are middle size company. Which focus on high quality ,custom made,customer value.
Yes we can offer neutral package and OEM for all clients. Q: what’s your mainly market ? which product is the most hot sale in your company.
Q:What is your market share distribution ? and what’s your mainly products now ?
A: Right now we have around 60% domestic business in Mainland China.other 40% of oversea business is mainly from Countries like USA, France. Russia, Poland, Argentina. India Turkey and some other middle east countries.
Currently the hot sale product are high efficiency SMD led, such as SMD5050 LED, SMD3030 LED, and SMD3535 LED in White color and other colors such as uv, ir, rgb.
Besides of this ,cob led form 10-100watt is also very welcome by our old clients.
Q: What’s the highest efficiency of your smd led.
A:For SMD3535 LED,highest efficiency is 175lm/w.
For SMD5050 LED, highest efficiency is 240lm/w.
For SMD3030 LED, the highest efficiency is 210lm/w .
For SMD2835 LED, the highest efficiency is 195lm/w
Q: Would you offer free samples?
A:Yes, for SMD LED, we can offer free sample 10-50pcs for testing purpose.
For high power led, we can offer 1-10pcs free sample for testing.
For COB LEDs, we can offer 1-5pcs free sample for testing purpose.
In general, the free sample value we offer is around 5-10USD.
If u need more qty,pls contact with us for further discussion.
Q: How long is your delivery time ? can we ship goods by our own logistic forwarder.
Normally our delivery time is around 5 workdays to 12 workdays depends on order volume, yes, client can use their own freight forwarder. You can order based on FOB ,EXW or CIF terms.
Q:Are you manufacturer or trade company? How many Years experience do u have in this industry.
A:We are professional LED Packaging factory with over 4000㎡ production base in Shenzhen,China. Since 2008, we open the factory and make our brand GMKJ a TOP100 LED enterprise since 2010. you are welcome to visit us for business negotiation or and arrange third party field audit.
Production Flow

More Products:


Factory Environment

Guangmai (GM) Company have over 12 years experience of produce a full series of high quality LED for different application such as high lumen smd2835 led, SMD3535 LED, SMD3030 LED,SMD5050 LED,High power LED and COB LED from 5watt-100watt.
Since 2010, we are the top100 reliable LED enterprise in China and TOP10 LED company in Shenzhen. .
For more info about us, pls send us an inquiry or welcome to visit our Shenzhen headquarter and production base for business negotiation, Looking forward to work with you soon!
GM Company Service

Our Services/Why choose Us
1. Professional service: replied within 24 hours(at workdays).
2. Various ready moldings of lamp led are available: no need to afford extra fee for moldings.
3. We also can provide customized products, design according to your demand.
4. Reliable and stable quality: 100% testing for each piece. Automatic testing and bin code selection machine.
5. Experience: produce LED components for more than 14 years.
6. Advanced Equipment: ASM automatic production machines(biggest brand in LED automatic machines)
7. Concentration: We focus on LED research and development, production and sales.
Our company respects technology and talents, adheres to the principle of "people-oriented", and has attracted a large number of talented and insightful people who are interested in SMD 3030 LED 3030 230lm/W Hot Sell industry to join us. Our company has been taking quality reputation as the purpose, taking the market as the guidance, seeking development by innovation, and constantly develop new products. In the face of the global trend of energy transformation, we vigorously develop clean, low-carbon, safe and efficient resources.
Hot Tags: LED SMD 3030 3v 150ma, China, manufacturers, suppliers, factory, price, cheap, quotation, datasheet, specs, specification, led 30w 4000k, smd led uvc, 3W Yellow LED Chip 595nm Epileds, Amber LED SMD2835 0 5w, cree 3030 led, smd 5730








